首页
关于携驰
产品展示
工程案例
新闻中心
技术服务
联系我们
热门搜索关键词:
不锈钢水箱
|
搪瓷水箱
|
膨胀罐
|
流量开关
|
补水阀旁通阀安全阀排气阀
|
电动阀温控器温压表
名称
描述
内容
首页
>>
流量开关
>>
塑料小口径流量开关WFS240XXPC
您现在的位置:
不锈钢水箱
搪瓷水箱
膨胀罐
流量开关
补水阀旁通阀安全阀排气阀
电动阀温控器温压表
水力模块
10
最新产品
产品展示
PRODUCT center
塑料小口径流量开关WFS240XXPC
发布时间: 2020-11-30 09:34
商品信息
原理、结构
WFS24系列是针对电热水器、纯水设备、焊接设备、激光设备、仪器仪表等的水流监控而开发的。在流量开关内部安装有高性能的永磁体,磁体通过流通发生作用,驱动密封在流量开关上部的磁敏开关直接动作。
特点
● 由于开关内部只有一个移动部件,工作原理简单、直观、可靠,故其工作状态稳定。
● 元件无磨损且性能稳定。
● 产品采用高精度、低压降及长寿命设计。
应用范围
可广泛应用在石油化工、纯水设备、焊接设备、激光设备、仪器仪表等需要进行流量监控的场合。WFS24系列是针对电热水器、纯水设备、焊接设备、激光设备、仪器仪表等的水流监控而开发的。
适用介质
技术参数
△使用介质温度范围: -20~93℃
△平均压力损失: 0.01bar(流量最大时)
△输出: SPST磁敏开关常开型
△磁敏开关参数: 0.5A(max.)、250V(max.)、50VA
△电缆: 标准配置0.5m,2X0.3mm2电线
△耐压: 10bar(测试介质25℃时)
△外壳防护等级: IP65
△材料: 接液壳体:增强尼龙
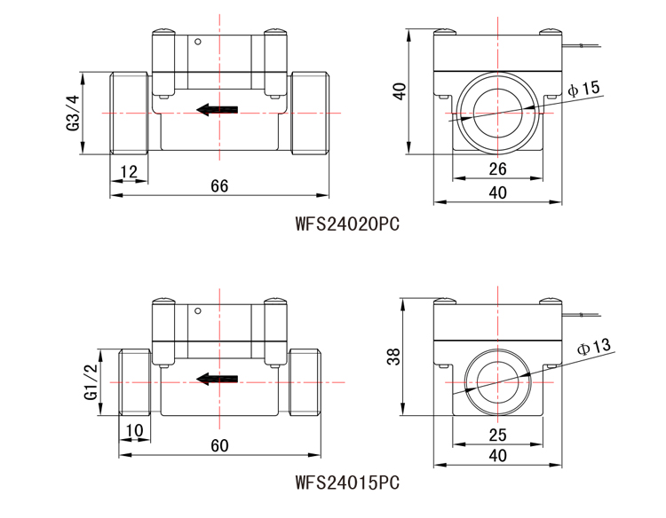
尺寸图
安装位置
电气输出
选型表
WFS24
015
P
C
详述
WFS24
WFS24系列挡板式流量开关
015
流量开关口径:G1/2
020
流量开关口径:G3/4
P
接液壳体材质:塑料
C
接口类型:两端均为外螺纹
订货提示
1.订货时请注明介质流向,介质种类,管径及期望设定值。我们可在出厂时帮您完成设定。
2.若是黏性介质,请注明黏度,温度及介质种类。
3.若是气体介质,请注明压力(表压/绝压),温度及介质种类。
上一个:
不锈钢小口径流量开关WFS230XXSC
下一个:
不锈钢流量开关WFS250XXSA